676962126
服务电话
021-69956275
13761395553
销售微信
欢迎光临上海思翰轴承有限公司官方网站!
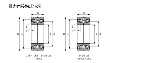
FAG轴承-7603035TVP-推力角接触球轴承

7603035TVP

新型号:7603035TVP

旧型号:

轴承品牌:FAG轴承

轴承系列:推力角接触球轴承

内径:35 mm

外径:80 mm

厚度:21 mm

咨询热线:13761395553 676962126 在线客服